Артикул: GL-10332N / GL-10333N / GL-10379N
Профилированный зажим из нержавеющей стали с болтами М10. Позволяет соединять стержень с заземляющим проводником - круглым проводом (сечением 28-78 мм²) либо полосой (шириной до 40 мм).
Возможно безопасное использование стального и оцинкованного проводника - для этого внутри зажима находится прокладка, препятствующая образованию электрохимической связи между сталью/цинком и медью стержня заземления.
Для предотвращения самоотвинчивания резьбовых соединений "болт-гайка" используются пружинные шайбы (шайбы Гровера / гровер-шайбы), установленные между поверхностью зажима и гайкой.
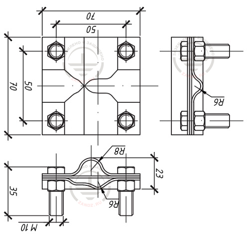
Для стержней D14 GL-10332N Вес: 0,312 кг Длина: 70 мм Ширина: 70 мм Высота: 30 мм
Для стержней D17 GL-10333N Вес: 0,312 кг Длина: 70 мм Ширина: 70 мм Высота: 30 мм
Для стержней D17 GL-10379N Вес: 0,128 кг Длина: 88 мм Ширина: 30 мм Высота: 45 мм
Эскиз зажима GL-10332N

Габаритный чертеж зажима GL-10332N



